Model:EEP-12/1600-40A
Category:Embedded poles
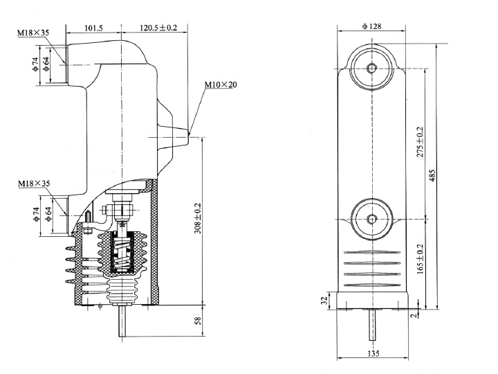
Specifications of Embedded Pole
Main Technical Specification | Unit | Specification | |||
1600 | 1250 | ||||
Rated voltage | kV | 12 | |||
Rated current | A | 1600 | 1250 | ||
Rated frequency | HZ | 50/60 | |||
Short time power frequency withstand voltage(1min) | kV | 48 | |||
Lightning impulse withstand voltage | kV | 95 | |||
Rated short circuit breaking current | kA | 40 | 31.5 | 40 | 31.5 |
Rated peak withstand current | kA | 100 | 80 | 100 | 80 |
Rated short circuit making current | kA | 100 | 80 | 100 | 80 |
Rated short time withstand current | kA | 40 | 31.5 | 40 | 31.5 |
Rated duration of short circuit | S | 4 | |||
Rated breaking current of single capacitor bank | A | 400 | |||
Rated breaking current of back to back capacitor bank | A | 400 | |||
Rated operating sequence | O-0.3s-CO180s-CO | ||||
Breaking operations of rated short circuit breaking current | Times | 30 | |||
Rated mechanical endurance | Times | 30000 | |||
Closing force due to bellow and atmosphere | N | 140±50 | |||
Force required to hold contacts open at full stroke | N | 220±50 | |||
Circuit resistance at lower limit of rated contact force | mΩ | ≤25 | |||
Contacts limit erosion | mm | 3 | |||
Gas pressure inside vacuum interrupter | Pa | ≤1x10?3 | |||
Localize discharge | Pc | ≤5 |
Mechanical Data Required for the Matched Vacuum Switchgear
Main Technical Specification | Unit | Specification | |||
1600 | 1250 | ||||
Clearance between open contacts | mm | 9±1 | |||
Average opening speed | m/s | 1.20±0.2 | |||
Average closing speed | m/s | 0.6±0.2 | |||
Rated of contact force | N | 4250±250 | 3150±200 | 4250±250 | 3150±200 |
Contact bouncing duration at closing operation | ms | ≤3 | |||
Out of simultaneity of contact closing and opening | ms | ≤2 | |||
Maximum rebound during opening | mm | ≤2 |
Prev archive:Embedded Poles
Next archive:Embedded Poles